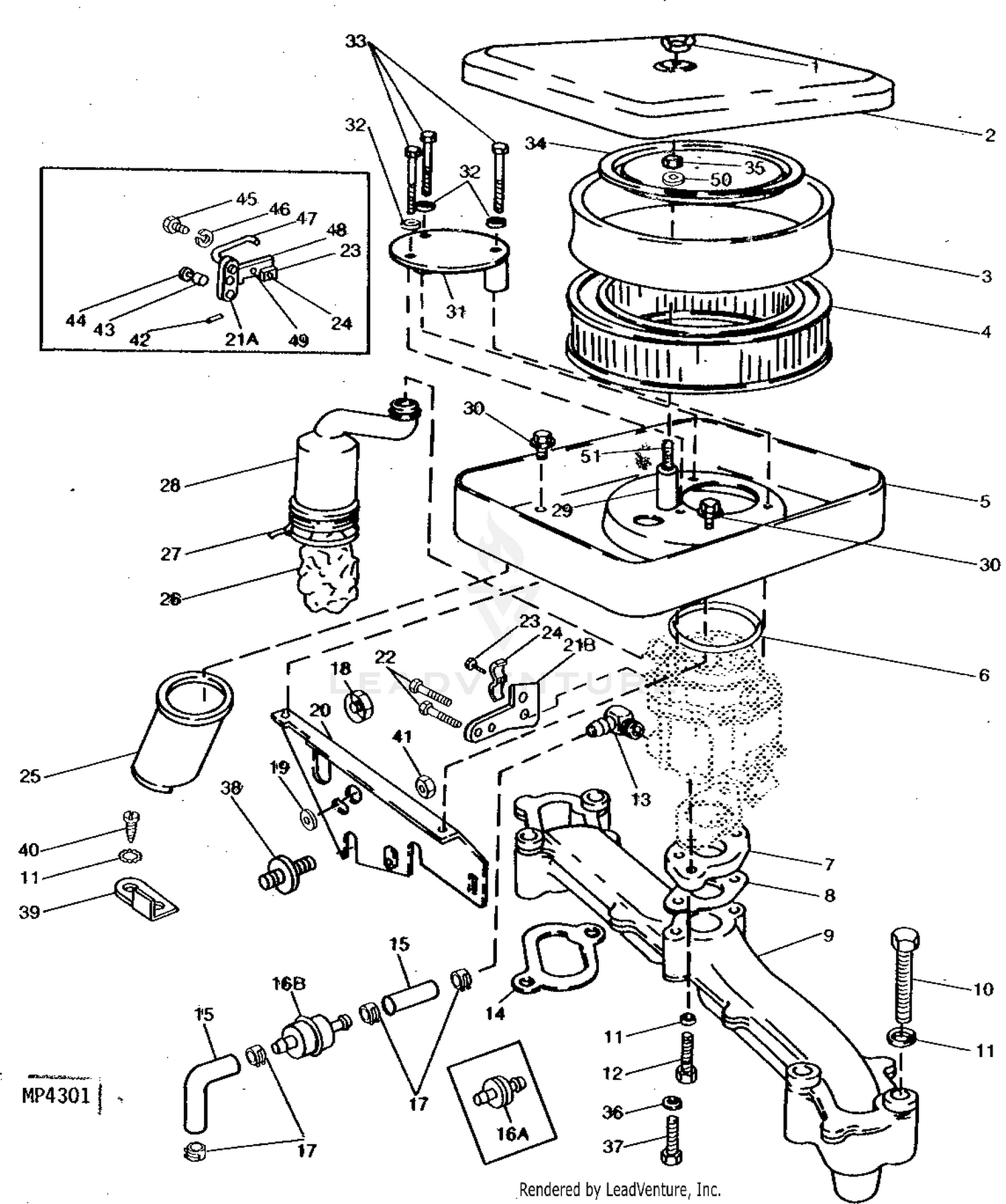
18+ Onan P220G Parts Diagram


Ebay


Service Manuals Agrimanuals


Walmart


Jacks Small Engines


Onan Parts


Jacks Small Engines


Yumpu


Scribd


Amazon Com


Ebay


Onanparts Com


Scribd


Internet Archive


Yumpu


Weingartz


2


My Tractor Forum


Scribd

Iklan Atas Artikel

Iklan Tengah Artikel 1

Iklan Tengah Artikel 2

Iklan Bawah Artikel